Сварочная машина для открытых труб MWG-90
Модель продукта:MWG-90
Технология сварки:Самосварка без наполнителя или сварка с наполнителем
Особенности продукта:Подходит для толщины стенки 1—10 мм
Способ защиты:Аргон и циркулирующее водяное охлаждение
Вес сварочного горелки:6 кг
Описание продукта
1. Сфера применения: пищевой и фармацевтический секторы, холодильная промышленность, биотехника, трубопроводная промышленность, монтаж трубопроводов и т.д.
2. Применение: для polnopозиционной трубной сварки материалов, таких как неilstейная сталь, углеродистая сталь, титановые сплавы.
3. Это оборудование используется в комплекте с интегрированным upravляемым источником питания MWA-400.
4. Типы сварных швов: противnostной, вклиновой.
5. Гарантийный срок: 1 год.

Преимущества продукта
1.Грифтовый фиксатор обеспечивает простой и надежный монтаж сварного патрона.
2.Циркулирующее водяное охлаждение горелки в части патрона повышает коэффициент повторяемости оборудования.
3. Функции автоматической регулировки длины дуги и поперечного перемещения уменьшают необходимость в ручном вмешательстве.
4. Подходит для стенок труб толщиной от 3 до 12 мм с V - образным скосом. При односторонней сварке достигается двухстороннее формирование сварного шва.
5.Используются импортные важные детали и материалы, которые обеспечивают долговечность, надежность, безопасность и точность.

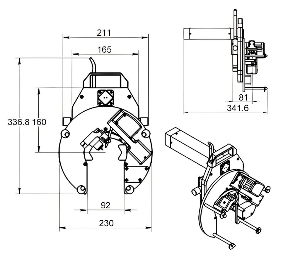
Параметры продукта
| Подходящий диаметр трубы | Φ20 мм—Φ89 мм | Метод охлаждения | Циркулирующее водяное охлаждение |
| Диаметр наполнительного проволока | Φ0,8 мм、Φ1,0 мм | Внешние размеры | 230 мм×341 мм×339 мм |
| Применяемые материалы | Углеродистая сталь, неilstейная сталь | Вес сварного патрона | 6 кг |
| Диаметр вольфрамового электрода | Φ2,4 мм | Снабжение питанием | MWA-400 |
| Защитный газ | Аргон | Ручное регулирование угла патрона | ≤ 45° |
Список комплектации
| № | Наименование | Характеристики | Ед. | Количество | Примечание |
| 1 | Открытый трубный сварочный аппарат | MWG - 90 | шт. | 1 | Стандартное оснащение |
| 2 | Интегрированный блок управления питанием | MWA - 400 | шт. | 1 | Стандартное оснащение |
| 3 | Вольфрамовая игла | Ø2,4 мм × 150 мм | шт. | 1 | Стандартное оснащение |
| 4 | Вольфрамовый держатель | Ø2,4 | шт. | 1 | Стандартное оснащение |
| 5 | Керамический сопло | По индивидуальному заказу | шт. | 1 | Стандартное оснащение |
| 6 | Внутренний зажим | По индивидуальному заказу | набор | 1 | Стандартное оснащение |
| 7 | Внешний зажим | По индивидуальному заказу | набор | 1 | Стандартное оснащение |
| 8 | Внешний подающий механизм проволоки | По индивидуальному заказу | шт. | 1 | Стандартное оснащение |
| 9 | Скосочерпаниящий станок | По индивидуальному заказу | шт. | 1 | Дополнительно |
| 10 | Шлифовальный станок для вольфрамовых электродов | По индивидуальному заказу | шт. | 1 | Дополнительно |
Сопутствующие аксессуары

Внешний подающий механизм проволоки

Скосочерпаниящий станок

Шлифмашина для вольфрама






